よくあるご質問
FAQ
製品仕様
Product Specifications
使用できる電圧を教えてください。
以下の対応電圧一覧表をご確認ください。太字が標準対応の電圧です。標準対応以外の電圧をご希望の場合は、注文時にお知らせください。
機種ごとの最大静圧・最大風量を教えてください。
以下の一覧表をご確認ください。
活性炭を搭載している機種はありますか?
下記機種は活性炭を搭載しております。
対象機種:CKU-060AD-ACC、CGU-250AD-ACC、CBA-750TP1-DSA、CBA-1000TP1-DSA、CBA-1000AT3-HC-DSA-V1、CBA-1500TP1-DSA、CBA-1500AT3-HC-DSA-V1、CHP-1200AT3-ACC、CHP-1600AT3、CHR-1200D、CHR-1200D-JA、CHR-2600D(オプション)、CHR-2600D-JA(オプション)、CHR-2600D-V(オプション)、CHR-2600D-V-JA(オプション)
レーザーシリーズのマーキング用と加工用の違いを教えてください。
レーザー加工用集塵機は、レーザーマーキング用集塵機と比べ、 多量のヒュームが発生する工程に対応できるよう、フィルタ面積を大きくし、高効率な塵落とし機能を搭載しています。
防爆対策シリーズを販売開始いたしました。国内初となる国際防爆
規格「IECEx」認証の取得、および欧州防爆規格「ATEX」認証を取得した粉塵防爆用集塵機です。国際的な防爆設計基準に準拠した防爆対策を施しています。
対象機種:CHR-1200D、CHR-1200D-JA、CHR-2600D(オプション)、CHR-2600D-JA(オプション)、CHR-2600D-V(オプション)、CHR-2600D-V-JA(オプション)、CMP-4000D-V、CMP-3700D
フランジのサイズの記載と実際に計測した寸法が異なるのはなぜですか?
φ100がφ98でした。
A.フランジのサイズは設置できるホースの「呼び径」を指しています。
呼び径が同じでも、製造元によりホースの直径は異なります。
呼び径より小さいホースにも対応できるよう、フランジの大きさを決めています。
本体購入時の付属品について教えてください。
以下のカタログ・取扱説明書より、取扱説明書内の「付属品」ページをご参照下さい。
高圧型集塵機と風量型集塵機の違いは何ですか?
風量型集塵機と高圧型集塵機では粉塵の吸い込み方が異なります。風量型集塵機は換気扇のように風の量で吸い込むタイプの集塵機で、高圧型集塵機は掃除機のように高い圧力で吸い上げるタイプの集塵機です。
詳しくはコラムをご参照ください。
高圧シリーズと中圧シリーズ、低圧シリーズの違いはなんですか?
粉塵の吸い込み方が異なります。
低圧は換気扇のように風の量で吸い込み、高圧は掃除機のように高い圧力で吸い上げる集塵機です。
当社の区分は下記です。
低圧(静圧3kPa未満):一定空間を風量を多く集塵、圧力損失による風量低下が大きい
中圧(静圧3kPa~8kPa):高圧シリーズに比べて風量が大きく、静圧も配管圧損の影響に余裕がありバランスが取れている
高圧(静圧8kPa以上):局所で高い吸引力で集塵、圧力損失による風量低下が小さいのでノズルや分岐配管にも対応
詳しくは「能力から探す」をご確認ください。
CKU-050-SP-HIの漏れ電流値を教えてください。
漏れ電流値は0.1mA以下です。
CHV-030AD-HI-V1の電源アダプタ本体側の接続プラグのメーカー・型式を教えてください。
接続プラグの型式はKPPX-4P(メーカーはKeycon社)です。
本体側のパネルが操作できません。
本体側のパネルが操作を受け付けない場合、集塵機が遠隔操作モード(リモートケーブルでのみ操作を受け付ける状態)である可能性が考えられます。
リモートケーブルを使用している場合、ケーブルを抜いて再度操作できるかどうか確認してください。
それでも操作できない、もしくはリモートケーブルを使っていない場合は故障の可能性があります。
本体の主電源をONにしてもパネルが動作しません。
ヒューズ切れの可能性があります。ヒューズを確認してください。
標高の高いところでも使用可能ですか。
標高1,000m以下での使用を推奨しております。
頻繁に電源ON/OFFを切り替えても問題ありませんか。
電源ONの際に突入電流が発生し、電子回路部品に大きな負荷がかかります。それを日常的に高頻度で行われると早期故障につながります。
突入電流値の目安を教えてください。
運転開始時(5sec以内)の突入電流値は定格電流値の1.5倍程度となります。
前面カバーの材質を教えてください。(型式:CKU-050、060、080、CBA-080)
材質はポリカーボネートとABSです。
本体に搭載されているボタン電池の役割を教えてください。
非通電時のカレンダー設定メモリ用に搭載されています。
※2023年4月30日製造分をもって、ボタン電池搭載品の製造は終了致しました。
CBA-1000AT3-HC-DSA-V1のシェーキングモード設定ができません。
プログラムバージョン5.2以降で対応しています。それ以前のプログラムでは実装されておりません。
プログラムバージョンにつきましては、側面のAT3パネルにてご確認ください。
本体パネルのプログラムバージョンを確認したいです。
モーター停止時に側面のAT3パネルでご確認ください。
使用方法
How to Use
純正以外の電源ケーブルでも使えますか?
発火事故等の防止のため、純正電源ケーブル以外は使用しないでください。
クリーンルーム内に排気してもいいですか?
クリーンルームクラスに対応している集塵機であれば、そのまま排気していただけます。
対応していない場合は、排気ホースを設置し、クリーンルーム外に排出する必要があります。
アルミニウムの粉塵を吸うことはできますか?
アルミニウムの粉塵は、粉塵爆発を起こす危険性があります。当社の集塵機は防爆仕様ではありませんので、使用はお控えください。
腐食性のある物質は吸引できますか?
腐食性物質の吸引は非対応となっております。集塵機本体やフィルタに悪影響があるため、使用しないでください。
粉塵中の貴金属を回収することはできますか?
可能です。貴金属を回収して再利用する場合、ダストパンを備えた集塵機や、サイクロンでの粗取りがお勧めです。
吸引できない粉塵はありますか?
引火性物質・爆発性物質・火花を含んだ粉塵・水分油分などの液体には ご利用頂くことができません。また、粉塵量が多いものは、サイクロン方式の前処理タンクをご利用頂いています。
アルミニウム・マグネシウム・チタン・亜鉛・エポキシ樹脂などや、粉塵爆発の危険性がある場合については、集塵機に防爆装置が必要です。
また、チコーエアーテックの小型集塵機はクリーン環境でお使い頂くことを前提としていますので、水分油分などの液体や多量に発生する粉塵については、対応していません。
その他の粉塵についても、粉塵の量が多い場合には、前処理機としてサイクロンタンクをご利用頂いています。集塵機の吸引力を利用し、集塵機に粉塵が入る手前で集めることで、集塵機本体の負荷を軽減することができ、簡単にゴミを捨てることが可能です。
ミストを吸引することはできますか?
チコーエアーテックの集塵機は乾式のため、ミストや水分・油分を含む粉体を吸引することはできません。
フィルタ交換時期の目安はどれくらいでしょうか?
フィルタ交換の時期は、集塵物・使用時間など使用環境によって様々ですが、取扱説明書に記載している交換時期を、目安としてください。
フィルタを交換しないまま使用を継続されると、フィルタが目詰まりし吸引力が低下してしまいます。最終的には、フィルタの破損が起こり、粒子の吹き漏れによってブロア内へ粒子が侵入し、故障の原因となります。
フィルタの廃棄方法を教えてください。
地方自治体によって廃棄方法が異なるため、使用場所の地方自治体にてご確認いただくようお願いします。
24時間運転は可能でしょうか?
はい。チコーエアーテックの集塵機は、24時間連続運転が可能です。
中国で使用することはできますか?
中国の住宅用公称電圧は220V単相のため、当社製品の型式に【CE】が付いている機種は使用していただけます。(トランスは不要です。)
ただし、工場によって電圧が違う場合があるため、工場内の電圧をご確認ください。
ERR02が表示されたのですが、どうすればいいですか?
ERR02はINVエラー検知(インバータからの異常信号を検知)というエラーです。解消方法ですが、以下の手順を試していただき、エラーが継続する場合は弊社までお問い合わせください。
STEP1.定格電圧を確認する。
STEP2.たこ足配線になっていないか確認する。
上記2点を確認後、電源を入れ直してください。運転が再開できない場合は、モータの温度サーモスタッドが働いている可能性がありますので、主電源を切り、30分経過してから、運転を開始してください。
ERR03が表示されたのですが、どうすればいいですか?
ERR03は回転数異常(モータの回転数が下がっているまたは停止している)というエラーです。モータが故障している恐れがありますので、修理を依頼してください。
ERR04の解消方法を教えてください。
内部温度の上昇は、以下の状況で発生する場合が多いです。
1.吸引雰囲気の温度が高い
2.フィルタの目詰まり
3.吸引されている風量が少ない
以下の解消方法をお試しください。
1.温度の低い雰囲気を同時に吸引させる、吸引口の側に熱源があれば遠ざける。
2.フィルタを交換する。
3.吸引口を広くしたり、増やす。配管径を太くする。
ERR04の発報温度を教えてください。
内部温度が80℃以上になると発報します。
※CHP-1600AT3、SHP-1600AT3は70℃で発報します。
ERR06が表示されたのですが、どうすればいいですか?
ERR06は圧力異常(圧力不足状態で一定時間以上運転継続)というエラーです。解消方法ですが、以下の手順を試していただき、エラーが継続する場合は弊社までお問い合わせください。
STEP1.排気口または吸引口が塞がれていないか確認する。
STEP2.定格電圧を確認する。
STEP3.たこ足配線になっていないか確認する。
STEP4.フィルタの目詰まりや吸込み温度によりモータが過熱していないか確認する。
上記4点を確認後、電源を入れ直してください。運転が再開できない場合は、モータの温度サーモスタッドが働いている可能性がありますので、主電源を切り、30分経過してから、運転を開始してください。
ERR07が表示されたのですが、どうすればいいですか?
ERR07はF-RAM書き込み異常(F-RAMに書き込みできない)というエラーです。お手数ですが、弊社までお問い合わせください。
ERR08が表示されたのですが、どうすればいいですか?
ERR08は通信異常(BCC判定が不一致)というエラーです。お手数ですが、弊社までお問い合わせください。
WARN1の解消方法を教えてください。
内部温度の上昇は、以下の状況で発生する場合が多いです。
1.吸引雰囲気の温度が高い
2.フィルタの目詰まり
3.吸引されている風量が少ない
以下の解消方法をお試しください。
1.温度の低い雰囲気を同時に吸引させる、吸引口の側に熱源があれば遠ざける。
2.フィルタを交換する。
3.吸引口を広くしたり、増やす。配管径を太くする。
WARN2が表示されたのですが、どうすればいいですか?
WARN2はフィルタ交換時期超過(風量低下状態で一定時間以上運転継続)という警告です。解消方法ですが、以下の手順を試していただき、エラーが継続する場合は弊社までお問い合わせください。
STEP1.フィルタの目詰まり状況を確認し、フィルタを交換する。
STEP2.配管・吸込口が詰まったり塞がれたりしていないか確認する。
WARN3が表示されたのですが、どうすればいいですか?
WARN3は圧力不足(吸込圧が低い)という警告です。解消方法ですが、以下の手順を試していただき、エラーが継続する場合は弊社までお問い合わせください。
STEP1.排気口/吸引口が塞がれていないか確認する。
STEP2.定格電圧を確認する。
STEP3.たこ足配線になっていないか確認する。
STEP4.フィルタの目詰まりや吸込み温度によりモータが過熱していないか確認する。
上記4点を確認後、電源を入れ直してください。運転が再開できない場合は、モータの温度サーモスタッドが働いている可能性がありますので、主電源を切り、30分経過してから、運転を開始してください。
WARN4が表示されたのですが、どうすればいいですか?
WARN4は風量不足(フィルタ目詰まりによる風量低下)という警告です。解消方法ですが、以下の手順を試していただき、エラーが継続する場合は弊社までお問い合わせください。
STEP1.フィルタの目詰まり状況を確認し、フィルタを交換する。
STEP2.配管・吸込口が詰まったり塞がれたりしていないか確認する。
WARN5が表示されたのですが、どうすればいいですか?
WARN5は排気圧力異常(排気圧が異常に高い)という警告です。解消方法ですが、以下の手順を試していただき、エラーが継続する場合は弊社までお問い合わせください。
STEP1.排気フィルタを外して再度取り付ける。
STEP2.排気フィルタの目詰まりや破損を確認し、フィルタを交換する。
WARN6の発生原因を教えてください。
通初期圧力が未登録になっています。実際にご使用いただく配管条件で集塵機を接続し、運転をONにしてからEnterボタンを長押ししてください。その後パネルの表示が変わり右端でYが点滅したら再度Enterボタンを押してください。
WARN7が表示されたのですが、どうすればいいですか?
以下の原因が考えられます。
1.内蔵されているボタン電池の残量が少ない
2.絶縁シートを抜いていない
取扱説明書にてボタン電池取付箇所を確認いただき、ボタン電池の交換または絶縁シートの除去してください。通電状態で行わないと著しく電池を消耗する可能性がありますので通電状態で行ってください。
※2023年4月30日製造分をもって、ボタン電池搭載品の製造は終了致しました。
仕様変更
Specification Change
特注仕様の対応について教えてください。
特注仕様の対応については要お打合せとなります。以下のフォームよりお問い合せください。
お問い合わせはこちら
集塵機の筐体をSUSに変更できますか?
機種選定
Model Selection
使用するレーザーマーカーの型式から、集塵機を選定できますか?
レーザーマーキングの対象物質や使用状況等、様々な要因を考慮して機種選定を行う必要があるため、レーザーマーカーの型式から選定を行うことはできかねます。
集塵機の導入にあたって必要風量を計算しました。集塵機を選定する際、最大風量はどのくらいのものが必要でしょうか?
最大風量は、配管を接続しない状態で、集塵機単体で計測した能力です。配管やフードを接続することで圧力損失が発生する為、実際の使用時には最大風量が発揮されることはありません。
選定の際は、計算した必要風量が最大風量の8割程度に収まる機種をお選びください。
アクリル樹脂のレーザー加工で強烈な臭いがするのですが、無臭化できますか?
アクリル樹脂をレーザー加工すると、アクリル酸ガスが発生しますが、これが強烈な臭いの原因です。アクリル酸ガスは活性炭で除去することができます。
レーザークリーン集塵機の選定にはどのような情報が必要ですか?
レーザークリーン集塵機の選定において以下の情報が必要になります。
・ワークの素材
・作業ボリューム/日
・連続稼働時間/日
・連続稼働日数/週
上記情報から、集塵物の処理能力を選定します。
集塵機の性能はどの数値を見ればいいですか?
集塵機の性能を表示する数値として以下があります。
出力:W(ワット)
電圧:V(ボルト)
風量(Q):m3/min(リューベパーミニッツ)
静圧(Ps):kPa(キロパスカル)
集塵機の性能を上記の数値だけで判断することは、難しいかもしれませんが、距離や、吸込みフードやノズルが決まれば、どの集塵機を選定すべきか、ある程度判断することが可能です。
1.出力
集塵機がどのくらいのパワーをもったモータを使用しているかという数値です。数値が大きいほど、力が大きいということになりますが、同じ出力であってもその他の要素により、集塵能力には差があります。
2.電圧
入力電圧を表示しています。使用する環境、地域により、100V~240Vと違いますが、対応できる電圧を表示しています。単純に電圧が高い方が効率よくモータを回転することができると言えます。
また、単相と三相がありますが、三相交流とは、三種類の(120度づつ位相がずれている)交流の起電力が混在したものです。また、一種類のみのものが単相交流で、一般家庭に供給されているのは、単相100V/200Vです。
日本国内では、三相交流は、主に業務用の電力として使用されていますが、一般家庭でも、大型エアコンの室外機の電源として使用される場合があります。
3.風量
単位時間(1秒間)当たりに吸い込む空気の体積のことです。
集塵に必要な吸込み風量(リューベパーミニッツ)は、吸込み断面積(m2)×風速※(m/s)×60secで簡易的に計算することができます。
風速※については、軽い粉塵は、風速1.0~2.0m/s 比較的重い粉塵は、風速2.0~5.0m/s ホースを近づけて吸引する場合は、10~15m/s また、高圧型集塵機では、30~100m/sと考えるとよいでしょう。
※この風速は、フード面風速を表しています。ゴミの発生源から吸込口の距離がわからない場合や、限りなく接近させて吸込む場合には、フード面風速を用いて必要風量を計算することができます。
4.静圧
簡単に言いますと、必要とする風量を得るためには、ホースや装置の抵抗に打ち勝つ風の力が必要です。その力が静圧です。羽根車の回転数を上げることにより、静圧が上がります。細いホースやノズルを使用する場合には、3~10kPaが必要です。
集塵機の選定方法を教えてください。

集塵機の選定に必要な風量や静圧は、ある程度、計算で割り出すことができます。その際、「発生源の近くで集塵する」ことがポイントです。
集塵機選定の手順
(1)粉塵の種類や量を見極める
(2)ノズル(またはフード)を決める
(3)粉塵から吸込口の距離を計測する
(4)必要風量を計算する
(5)ホース径を決める
(6)必要な静圧を算出する
必要風量は、以下の式で求めることができます。
Q = 60Vc ×(10X2+A)
集塵と言っても、粉塵の種類、量、粒子径、吸い込み方法、等により、吸込み流量・フィルタの面積・材質・通気度・シェイキング方法などが決められます。
しかし、集塵機の容量を決める場合、(1)吸い込み方法 (2)粉塵量によるところが大きく、前者については、吸込み口と粉塵発生源の距離との関係で大きく左右されます。
生産ラインで発生する粉塵がどのような粉塵であるかを分類することは、集塵方法を決定する第一歩です。
機種選定の際、粉塵はどのように分類すればいいですか?
集塵方法から粉塵を3種類に分類できます。
1. 浮遊粉塵
2. 付着粉塵
3. ヒューム(レーザーマーキングで発生する臭いのある粉塵など)
生産工程で発生する粉塵がどのような粉塵であるか分類することは、集塵方法を決定する第一歩です。ただし、どんな粉塵についても、発生源に出来るだけ近いポイントで吸引することが効率的な集塵です。
1.浮遊粉塵
浮遊する軽い粉塵は、製品に付着する前に、発生源から飛散する方向(上方向/下方向/横方向)にフードを設置して吸引するか、囲って吸引する方法が効率的です。
集塵機は、風量型(CKUシリーズ SKシリーズ)を中心にお選び下さい。
制御風速としては、0.1~1.0m/sec と 設定して、必要風量を計算して下さい。
2.付着粉塵
落下し、製品などに付着した粉塵は、スリット型のノズルや細いホースで吸込みスピードを上げて吸引します。また、静電気で付着している場合などはエアーブローしながら吸引すると効果的です。
集塵機は、高圧型(CBAシリーズ)を中心にお選び下さい。付着した粉塵の場合には、粉塵とノズルの距離を限りなく接近させることが重要です。
その場合の必要風量の計算にはフード面風速を30~100m/sec と設定して必要風量を計算して下さい。
3.ヒューム
臭いを伴う はんだ・レーザーマーカーのヒュームについては、「粉塵の除去」「臭いの除去」「フィルタ目詰まりを防ぐ」(特に粘性のあるヒューム)ことが重要ポイントとなります。
「粉塵の除去」については上記①②を参照下さい。「臭いの除去」については、活性炭フィルタを使用して臭いを除去します。「フィルタ目詰まり」については、衝突緩衝やゼオライトへの吸着で粒子を大きくすることで、はがれやすい状態にすること。また、シェーキングすることにより、吸引力が低下しないことが必要です。
集塵機は、レーザークリーンシリーズを中心にお選び下さい。
集塵機の風量とは?
集塵機の風量とは、集塵機が1分間に吸い込む空気の体積を表す値です。吸込口を基準とし、 単位は「m3/min」で表します。
風量の単位は、通常m3/minで表します。これは1分間(min)に吸込む体積(m3)です。風量の値が大きいほど、粉塵を吸引することができます。
なお、吸込状態の標準空気は、温度20℃、絶対圧力101.3kPa、絶対湿度65%で単位体積重量は1.2kg/m3として風量を表示しています。
必要風量の計算方法
集塵に必要な風量は、
(1)吸込む粉塵の性質(重さや状態)
(2)必要なフード(ノズル)の大きさ
(3)距離(ゴミの発生源から吸込み口までの距離)から、計算することができます。
風量Q=60×Vc×(10×X2+A)
Q : 必要風量(m3/min)
Vc : 制御風速(m/sec)・・・下図参照
X : 距離(m)・・・・・・・・粉塵発生源から吸込口までの距離
A : 開口面の面積(m2)・・・L×W

上記の計算式で注目すべきポイントは、 必要風量(Q)は、距離(X)の二乗に比例するという点です。
つまり、ゴミの位置から吸込み口までの距離を短くすることが効率的に集塵する第一関門であると言えます。
第二関門としては、吸込口から集塵機までの距離が重要なポイントとなります。

集塵機の静圧とは?
気体の流れに平行な物体の表面に及ぼす圧力で、 四方八方に均等に働く圧力の値です。単位は「kPa」で表します。
ゴム風船のように空気が静止した状態で、内部から押し出す力が静圧です。JISでは、圧力単位は「Pa」で表しますが、集塵機の静圧の表記は、一般的に「kPa」を使用します。

静圧Ps=λ(ζL/D)Pd
Pd:動圧=ρV2/2
Q:風量 =60VA ∴ V=Q/60A
λ:管摩擦係数(0.02とする)
ζ:ダクト損失係数:(ダクトホースの場合2.0~2.3程度)
L:ダクトの直管長(m)
D:ダクト径(m)
ρ:空気密度(20℃ で 1.2kg/m3)
V:管内風速(m/sec)
A:管内面積(m2)
g:重力加速度(9.8m/s2)
上記の計算式で注目して頂きたい点は、動圧※は管内風速の二乗に比例することから、風速によって動圧は変化し、静圧は動圧に左右されることがわかります(つまり管内面積が小さいほど高い静圧が必要)。
また、動圧が同じであれば、ダクト長さとダクトのφによって大きく影響を受けるということです。そして、粉塵とダクト径が同じであれば、ダクトホースが長いほど高い静圧が必要になります。
効率よく集塵する為の第二関門は、粉塵の発生源から集塵機までの距離(ホースの長さ)をどれだけ近づけるかということになります。
静圧・動圧・全圧(総圧)について補足説明
圧力は大気圧を0にとり、この基準に比較して高い圧力を「正圧何Pa」といいます。 風圧の中には「全圧(総圧)」、「静圧」、「動圧」があり、ダクト内の空気では、表面に及ぼす圧力を静圧、流速によって生じる圧力を動圧といいます。単位はPaで表示します。
静圧 (static pressure) : Ps とは、流体が実際に外界に及ぼす圧力。流速が0になる点(淀み点)での静圧を特に、淀み点圧と呼び動圧が0となるため、淀み点圧は全圧(総圧)に等しくなります。
動圧 (dynamic pressure) : Pdとは”圧”という語が使われていますが、流速(風速)による運動エネルギーの上昇分です。圧力ではないため動圧を直接測定することはできません。 総圧 (total pressure) : Ptとは、 Ps + Pd 動圧と静圧の和です。
集塵機の性能曲線はどのように見ればいいですか?
性能曲線の縦軸は圧力(静圧)を表し、単位はkPaで表します。横軸は風量を表し、単位はm3/min(リューベパーミニッツ)で表します。

集塵機のモータ性能や羽根車の回転によって、静圧と風量の関係が変化し、お選びいただく集塵機の特色を性能曲線によって見分けることができます。
例えば、高い山を描くものは、高圧型と呼ばれるタイプの集塵機で、いわゆる家庭用の掃除機のような細いノズルで、強い吸引力を発揮するタイプです。
最大静圧で8kPaを超えるものを言います。
また、低く、横に長い山を描くものは、風量型と呼ばれるタイプの集塵機で、換気扇のように、広い範囲の空気を取り込む集塵機です。
最大静圧とは
性能曲線で表している風量ゼロの時の静圧を最大静圧として表示しています。
最大風量とは
性能曲線で表している静圧ゼロの時の風量を最大風量として表示しています。
機能
Function
集塵機の機能にはどのようなものがありますか?
代表的な機能としては、以下のものがあります。(機種により搭載していない機能もあります。)
1. 遠隔操作機能
2. 風量設定の保持機能
3. シェイキング機能
4. 脱臭機能
1.遠隔(リモート)機能
他の装置と同期した状態で作動したり、ON/OFFを遠隔操作する機能です。
チコーエアーテックの集塵機は、(一部機種を除き)全機種に遠隔操作機能を装備しています。
2.風量設定の保持機能
集塵機の多くは風量を調整する機能がありますが、保持機能があれば、電源を切っても、以前に設定した風量を再現することができます。
チコーエアーテックの集塵機は、(一部機種を除き)全機種にAT3パネルを搭載し、風量設定と保持機能を装備しています。
3.シェイキング機能
フィルタの目詰まりを解消するためのフィルタのチリ落とし機能です。手動または自動で行います。
遠隔操作機能と自動シェイキング機能があれば、メンテナンス担当者がいなくても他の装置と連動させて、フィルタの目詰まりを防ぐことが可能になります。
4.脱臭機能
活性炭の役割は?
活性炭は脱臭作用があります。
活性炭は多孔質の炭素を主成分とする物質です。活性炭の形状や原材料により吸着剤としての用途も多種多様です。
形状:粉末 粒状 繊維状など
活性炭の材料:オガ屑 木材チップ 木炭 ヤシ殻 ピート 石炭など
チコーエアーテックでは、レーザークリーン集塵機に活性炭を使用しております。
活性炭は粒子状のため、そのままでは交換作業が困難ですが、交換が簡単なようにカセット型にしています。通常のフィルタと同じ感覚で交換していただけます。
AT3パネルとは?
運転ON/OFF、能力レベルの調整、フィルタ目詰まりの確認、過負荷の通知、運転圧力などの可視化といった機能を1枚のパネルに搭載しました。
ATパネルから進化し、各種圧力やブロワ温度、回転数など確認できる情報が充実しています。別売オプションでイーサネット通信やRS-485通信にも対応可能となりました。

<AT3パネルについて>
✓ 見える化を実現
圧力センサー・温度センサーを搭載し、集塵機の状態をより詳細に確認することができます。
✓ 集中管理
通信機能を有し、複数台の集塵機を設備の一環として集中管理できます。
✓ 診断機能
イーサネットやRS-485通信を用いてログデータを取り出すことで、集塵機の運転状況を確認できます。 通信には、別売のオプションが必要です。
① モードセレクトキー
電源OFF時に押下すると、モードセレクトモードになります。「一つ戻る」の役割も果たします。
② カーソルキー
能力レベルの変更や、ディスプレイの表示項目の選択・変更に使用します。
③ ON/OF
電源ON/OFF機能の他、OFFボタン長押しで初期圧登録を初期化します。
④ エラーランプ
エラー(風量不足や圧力不足など)が発生した際に点灯または点滅します。
⑤ エンターキー
モードセレクト時に押下すると、内容を決定します。また運転時長押しで初期圧を登録します。
【有機EL(OLED)】
・各種数値の表示機能
差圧・外部圧力・吸込圧力・排気圧力・ブロワ温度・ブロワ回転数・使用時間が確認できます。
・フィルタ目詰まりのお知らせ機能を搭載
フィルタの差圧が確認できるため、フィルタ目詰まり状態を正確に判断します。
・異常温度などのアラーム機能搭載
リモートコントール
AT3パネル搭載機種は、別売のリモートケーブル(型式:MT-173-8)を使用することで遠隔で制御することが可能です。別売の通信ボード(型式:RS-EN・RS-485)を使用することで、イーサネット通信やRS-485通信も可能です。

電気回路図
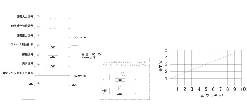
① 運転入力信号
④ 遠隔操作切替信号
⑦ 能力レベル変更
⑧ピンとの間で0~5Vの電圧を印加することで、能力レベルを変更できます。
⑧ GND
② 運転圧力信号
現在の運転圧力を出力します。
アナログ信号:1~5V、インピーダンス:≧4.7kΩ
③ フィルタ目詰出力信号
目詰まり信号を出力します。
オープンコレクタ出力:NPN
⑤ 運転出力信号
運転信号(ONランプ)を出力します。
オープンコレクタ出力:NPN
⑥ 異常信号
異常信号を出力します。
オープンコレクタ出力:NPN
ATパネルとは?
運転ON/OFF、能力レベルの調整、フィルタ目詰まりの確認、過負荷や異常温度の通知機能を1枚のパネルに搭載しています。

① フィルター
目詰まり状況をお知らせします。
② 能力レベル(タクトスイッチ)
集塵機の吸い込みを調整するボタンです。7段階の能力レベルで設定できます。
③ 異常お知らせ
■過負荷
搭載している集塵機が、インバータにて過負荷を検知・点灯すると同時に運転を停止します。
■異常温度
モーターが異常温度になった時に点灯し、同時に運転を停止します。
④ ON/OFF(タクトスイッチ)
リモートコントロール
ATパネル搭載機種は、別売のリモートケーブル(型式:MT-173-8)を使用することで遠隔で制御することが可能です。

① 運転入力信号
④ 遠隔操作切替入力信号
⑧ GND
② 運転圧力信号(DC1~5V)
現在の運転圧力を出力します。
アナログ信号:1~5V、インピーダンス:≧4.7kΩ
③ フィルタ目詰まり信号
目詰まり信号を出力します。
オープンコレクタ出力
⑤ 運転出力信号
運転信号(ONランプ)を出力します。
オープンコレクタ出力
⑥ 過負荷信号
過負荷信号を出力します。
オープンコレクタ出力
⑦ サービス電源(DC12V)
サービス電源を取り出すことができます。
DC:12V、負荷インピーダンス:≧1kΩ
搭載機種
ADパネルとは?
運転ON/OFF、能力レベルの調整、運転圧力の表示機能を1枚のパネルに搭載しています。

<ADパネルについて>
① 能力レベル(タクトスイッチ)
集塵機の吸い込みを調整するボタンです。5段階の能力レベルで設定できます。
② 表示パネル
■数値
現在の吸込圧力を示しています。
■C.F(Check Filter)
フィルタが目詰まりなどで、能力低下した時に表示されます。
③ ON/OFF(タクトスイッチ)
リモートコントロール
ATパネル搭載機種は、別売のリモートケーブル(型式:MT-173-8)を使用することで遠隔で制御することが可能です。
搭載機種
CE対応電源ケーブルのコンセントプラグの規格を教えてください。
SEタイプになります。
集塵機の遠隔操作は可能ですか?
一部機種を除く標準機には、リモート端子がついています。別売のリモートケーブルをお求め頂くことにより、無人の製造現場でもお使い頂くことが出来ます。
<CKU-AT3シリーズ>

<CKU-ATシリーズ>

<CHV-030AD-HI-V1>

イーサネットの通信設定方法を教えてください。
プロトコル=TCP、オープン方式=ソケット通信 自局ポート番号=10001 IPアドレス=自動取得で設定をお願いします。※固定IPアドレスを使用する場合は、別途Xport設定が必要です。
電文については14バイトあるうちの、 2番目が♯(シャープ)3番目が01です。
PLC接続時、リモートケーブル(集塵機入力側)のGNDについて教えてください。
集塵機の入出力端子は8番ピン(0V)を基準に信号をやり取りしています。PLCの入出力端子も同様にCOM端子(-)を基準に信号をやり取りをしています。
よって、基準となる集塵機の8番ピン(0V)とPLCのCOM端子(-)は必ず接続してください。
リモートケーブルで遠隔操作を行う際、NPN出力ではなくPNP出力にすることはできますか?
NPN出力をPNP出力に変換するキットをご用意しています。(型式:C-RPN-3)
リモート操作で電源ONにはできるが電源OFFになりません。
1ピン(運転入力信号)、4ピン(遠隔操作切替信号)、8ピン(グランド)の3つのピンを同時に短絡解除をしている場合、リモート操作ができなくなる場合があります。
1ピンと8ピンの短絡を先に解除して、4ピンと8ピンの短絡を解除してください。
リモートケーブルの1ピン4ピン短絡をシーケンサー+リレーで行う場合の接点容量を教えてください。
ほとんど電流は流れません(0.5mA~1mA程度)。よって、定格1Aのリレーで問題ありません。
電源のアースとリモートケーブルに使う信号線のグランドはつながっていますか。
つながっています。
以前使用していたリモートケーブルを継続使用したいのですが可能でしょうか。
原則使用可能です。ただし、3ピンのケーブル(MT-173-3)は継続使用が出来ませんのでご注意ください。
購入
Purchase
保証期間を教えてください。
メーカー保証は1年間です。
ただし、次の故障につきましては、免責とさせていただきます。
1. お客様の不適当な取扱い、使用、保管に起因する故障
2. 当社、もしくは当社関連のサービス会社以外の手による修理、改造に起因する故障
3. 火災、水害、地震、落雷、その他不可抗力に起因する故障
4. 本来の用途以外に使用した場合
当日出荷は可能ですか?
申し訳ありませんが、当日出荷は対応できかねます。納期についてはお問い合せください。
代理店について教えてください。
代理店・取扱店は、以下からご参照ください。
代理店・取扱店一覧
今使っている集塵機の後継機種を知りたいです。
お手数ですが、以下のフォームよりお問い合わせください。
お問い合わせフォーム
製品の納入可能な場所について教えてください。
国内であれば規定の送料にて発送可能です。(北海道・沖縄・離島は規定送料×1.5倍にて発送可能です。)
海外使用
Overseas Use
輸出手配時のHSコードを教えてください。
輸出手配時のHSコードは以下のとおりです。
集塵機本体・・・・・・8421.39
フィルタ・・・・・・・8421.99
リモートケーブル・・・8421.99
その他の部品につきましては、お手数ですがお問い合わせください。
RoHS指令には対応していますか?
標準品については、全機種RoHS2に対応しております。
CEマーキングには対応していますか?
以下の対応表をご確認ください。CEマーキング対応品は型式に-CEが付加されます。









